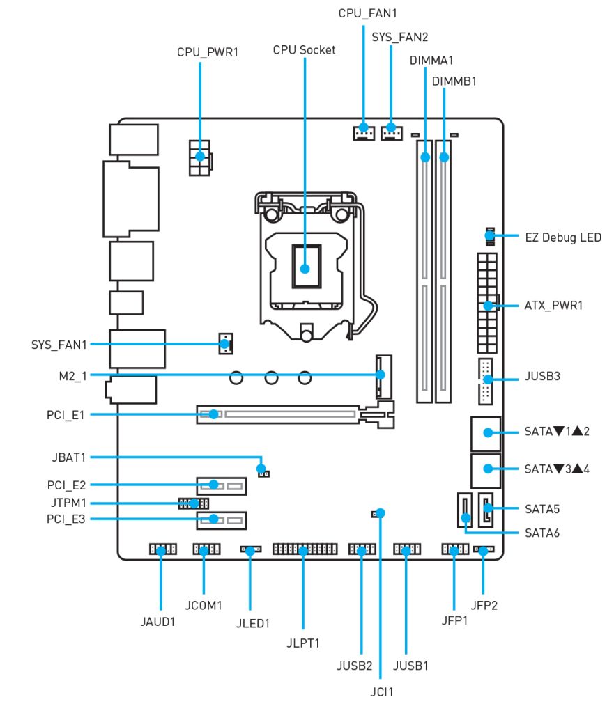
Le porte JAUD1, JCOM1, JLED1 e JLPT1 sono componenti importanti che si trovano nei computer e in altri dispositivi elettronici. Queste porte vengono utilizzate per fornire voce o trasferimento dati di alta qualità. In particolare, JAUD1 è chiamata porta audio e viene spesso utilizzata per collegare dispositivi come altoparlanti, microfoni o cuffie. JCOM1 è la porta seriale e viene utilizzata per tastiera, mouse o altri dispositivi. JLED1 è una spia di segnalazione che indica il funzionamento di USB e altre prese sulla scheda madre. Infine, JLPT1 è la porta parallela e viene utilizzata per collegare altri dispositivi come una stampante o un dispositivo di scansione. L'uso attento di queste porte garantisce il corretto funzionamento dei dispositivi.
Collegamento facile e veloce JAUD1, JCOM1, JLED1 e JLPT1 nel tuo computer

Guida completa al collegamento corretto di JAUD1, JCOM1, JLED1 e JLPT1
JAUD1 gestisce la porta audio frontale. È importante controllare attentamente le specifiche della scheda madre per capire quali connettori audio siano disponibili. Successivamente, è semplice collegare i cavi del pannello audio in base alle etichette.
JCOM1 è invece il connettore per il pannello di controllo del modem. A meno che non stia costruendo un sistema per la connessione a Internet attraverso un modem tradizionale, non dovresti preoccuparti di questo collegamento.
Con JLED1 è possibile gestire l'illuminazione del case del computer, ed è uno dei più semplici in termini di connessione. È sufficiente collegare il cavo positivo (+) al connettore positivo (+) e il cavo negativo (-) al connettore negativo (-).
JLPT1 è il connettore della porta parallela, attualmente raramente utilizzato. Se non stai costruendo un sistema per la gestione di periferiche obsolete come le stampanti a getto d'inchiostro, non dovresti preoccuparti nemmeno di questo connettore.
JAUD1 si riferisce al connettore audio del pannello frontale, che consente di collegare le cuffie o gli altoparlanti direttamente al case del PC. Sarà utile se hai bisogno di una soluzione per l'audio senza dover cercare il jack posteriore.
JLPT1 è il connettore della porta parallela, utilizzato per connettere dispositivi come stampanti e scanner. Tuttavia, la maggior parte dei nuovi motherboard non lo hanno più perché non è più un'opzione di connessione ampiamente utilizzata.
JCI1 è il connettore della porta seriale, utilizzato per la connessione di dispositivi di input come tastiere o mouse. È meno comune rispetto ad altri tipi di connettori perché i dispositivi di input moderni utilizzano una connessione USB.
JCOM1 è un connettore seriale aggiuntivo, utilizzato per dispositivi di comunicazione come modem e dispositivi GPS. È meno comune rispetto ad altre porte perché la maggior parte dei dispositivi di comunicazione utilizzano una connessione USB.
JFP1 è una connessione a 10 pin e può supportare una velocità massima di 1 Gbps. È stata progettata per fornire una connessione affidabile e stabile tra la scheda madre e il case del computer, ed è spesso utilizzata per il collegamento di dispositivi audio e video di alta qualità.
JFP2, d'altra parte, è una connessione a 9 pin che può supportare velocità di trasferimento dati fino a 2 Gbps. Questa connessione è stata progettata per fornire una connessione più rapida e affidabile tra la scheda madre e i dispositivi di storage ad alta velocità.
Come assemblare i collegamenti JAUD1, JCOM1, JLED1 e JLPT1 nel tuo PC
Assemblare i collegamenti nel tuo PC può sembrare intimidatorio se sei nuovo nel mondo dell'informatica, ma una volta che conosci i passaggi, è un processo abbastanza facile. In questo articolo ti guiderò attraverso l'assemblaggio dei collegamenti JAUD1, JCOM1, JLED1 e JLPT1 nel tuo PC.
Collegamento JAUD1 (Audio)
Il collegamento JAUD1 è dove il tuo jack audio si collega alla scheda madre. Puoi trovarlo vicino ai tuoi altoparlanti posteriori. Per assemblare questo collegamento, segui questi passaggi:
1. Localizza il pin nero e il pin verde sul cavo audio.
2. Inserisci il pin verde nel foro superiore e il pin nero nel foro inferiore del JAUD1.
3. Una volta che il cavo è inserito correttamente, avrai la possibilità di ascoltare l'audio dalle uscite posteriori del tuo PC.
Collegamento JCOM1 (Comunicazioni)
Il collegamento JCOM1 è utilizzato per le porte seriali del tuo PC, che spesso vengono utilizzate per connettere dispositivi come mouse e tastiere. Ecco i passi per assemblare questo collegamento:
1. Localizza il pin nero e verde sul cavo JCOM1.
2. Inserisci il pin verde nel foro superiore e il pin nero in quello inferiore.
3. Una volta che il cavo è inserito correttamente, avrai la possibilità di comunicare con i dispositivi seriali collegati.
Collegamento JLED1 (LED)
Il collegamento JLED1 è utilizzato per i LED della tua scheda madre. Puoi trovarlo vicino ai tuoi LED HDD. Ecco i passi per l'assemblaggio:
1. Localizza il pin positivo e negativo sul cavo JLED1.
2. Inserisci il pin positivo nel foro sinistro e il pin negativo nel foro destro.
3. Una volta che il cavo è inserito correttamente, i LED della scheda madre si illumineranno.
Collegamento JLPT1 (Porta LPT)
Il collegamento JLPT1 è utilizzato per la porta parallela del tuo PC, che spesso viene utilizzata per stampanti più vecchie. Ecco i passi per l'assemblaggio:
1. Localizza il pin nero e il pin rosso sul cavo JLPT1.
2. Inserisci il pin rosso nel foro superiore e il pin nero nel foro inferiore.
3. Una volta che il cavo è inserito correttamente, avrai la possibilità di utilizzare la porta parallela del tuo PC.
In conclusione, assemblare i collegamenti JAUD1, JCOM1, JLED1 e JLPT1 può sembrare difficile, ma seguendo questi passaggi non dovresti avere problemi. Assicurati sempre di assemblare i cavi nell'ordine corretto e di non forzare mai i connettori. Segui questi passaggi e in poco tempo avrai il tuo PC funzionante alla perfezione.
Come collegare i cavi SW e LED
Innanzitutto, scopriamo a cosa servono i cavi:
- Reset SW: è il cavo del pulsante che consente il riavvio quando premiamo Reset sul nostro computer.
- Power SW: è il cavo del pulsante che usiamo quando accendiamo il nostro computer.
- Cicalino: il cavo utilizzato per le uscite audio sul computer.
- LED di alimentazione: è il cavo che va al LED che si illumina quando viene premuto il pulsante di accensione del computer.
- LED HDD: è il cavo che va al LED che si accende non appena il computer inizia a funzionare e c'è un'operazione sull'hard disk.
- Slepp LED: è il cavo del led che si accende quando mettiamo il computer in modalità sleep.
Ora che abbiamo imparato queste definizioni, ora la parte del lavoro è installare i cavi. Indica che in questo passaggio è presente un LED o un SW sulla scheda madre. Potrebbe non essere facile leggere le scritte sulla scheda madre. Quindi prova a leggere con l'aiuto di una luce. È già scritto sui cavi quale cavo è cosa. Abbiamo appena imparato cosa fanno. Non resta che collegare i cavi osservando i punti giusti sulla scheda madre. Per conoscere i dettagli sulla raccolta di custodie per computer, puoi guardare il mio video intitolato Collezionare custodie per computer.

I cavi LED e SW possono essere cavi femmina singoli o doppi. Quelli singoli sono usati per le estremità più (+) e meno (-). I doppi cavi femmina sono tipi di cavi con estremità positive e negative insieme. Se i cavi sono doppi, è possibile eseguire un'installazione più semplice. Come l'altro, dovrai trovare e installare il più e il meno separatamente.

Collegamento JAUD1, JCOM1, JLED1, e JLPT1, JAUD1 Sıkça Sorulan Sorular
| Domanda | Risposta |
|---|---|
| Cosa è il collegamento JAUD1? | JAUD1 è il collegamento per l'audio frontale su una scheda madre. Viene utilizzato per collegare le cuffie o gli altoparlanti. |
| Come si utilizza il collegamento JCOM1? | JCOM1 è il collegamento per la porta seriale della scheda madre. Può essere utilizzato per collegare dispositivi come mouse, tastiere o stampanti. |
| Cos'è il collegamento JLED1? | JLED1 è il collegamento per i LED della scheda madre. Questi LED possono indicare lo stato della scheda madre o del sistema in generale. |
| Come si usa il collegamento JLPT1? | JLPT1 è il collegamento per la porta parallela della scheda madre. Solitamente utilizzato per la connessione di stampanti o altri dispositivi di input/output. |
| Cosa si può collegare al collegamento JAUD1? | Il collegamento JAUD1 può essere utilizzato per collegare le cuffie o gli altoparlanti per l'audio frontale sulla scheda madre. Tuttavia, alcuni casi per PC potrebbero avere anche il loro proprio connettore audio frontale separato. |
In sintesi, questi collegamenti sulla scheda madre sono utilizzati per connettere dispositivi come altoparlanti, mouse, tastiere, stampanti e altri dispositivi periferici al computer. Assicurarsi di verificare la documentazione della scheda madre per ulteriori dettagli sui collegamenti e sulle funzionalità disponibili.
Commenti (0)
Nessun commento ancora.
Segnala contenuto
Elimina commento
Eliminare definitivamente questo commento?
L'azione non si può annullare.